首页
Home
关于我们
Nav
新闻活动
Nav
认证服务
Nav
注册公告
Nav
公开文件
Nav
招聘信息
Nav
联系我们
Nav
公司简介
机构资质
中鉴认证组织机构
中鉴认证分支机构
认证活动符合性声明
公正性及保密性承诺
关于加强认证规则管理的承诺
中鉴认证新闻
通知公告
认证服务介绍
认证流程
服务报价
证书样板
证书牌匾
认证证书查询
有机防伪码查询
有机防伪码购买
获证组织
拟申请组织
认证认可标志
IAF-ISO 公报
认证依据
认证规则
审核员招聘
总部联系方式
各分部联系方式
申诉投诉渠道
开票信息
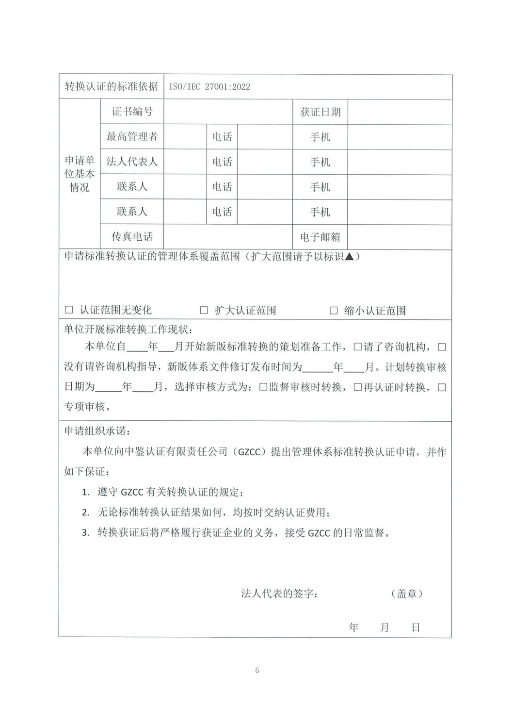
中鉴认函字[2023]11号 关于ISO/IEC 27001:2022标准转换的通知
发表时间:2023-04-27 10:00
分享到:
中鉴认证有限责任公司
中鉴认证有限责任公司
地址:广东省广州市广州大道中227号华景大厦四楼
总机:020-66390901/66390902/66390903
认证业务:020-66390952
邮编:510600
欢迎关注微信公众号
证书查询
公开文件
公正性及保密性承诺
关于加强认证规则管理的承诺
联系我们
分支机构
认监委证书查询
认证活动符合性声明
证书查询